Let’s continue the game of Twenty Questions I started on Friday regarding this strange fossil.
Is it a plant? No.
Is it an animal? Yes.
Is it bigger than a breadbox? This one, no. Some others? You bet.
Hat size? No true head. The answer is moot.
Is it still alive today? This one, no. Some others? Yes.
Okay, this is actually getting pretty boring. Let’s cut to the chase:
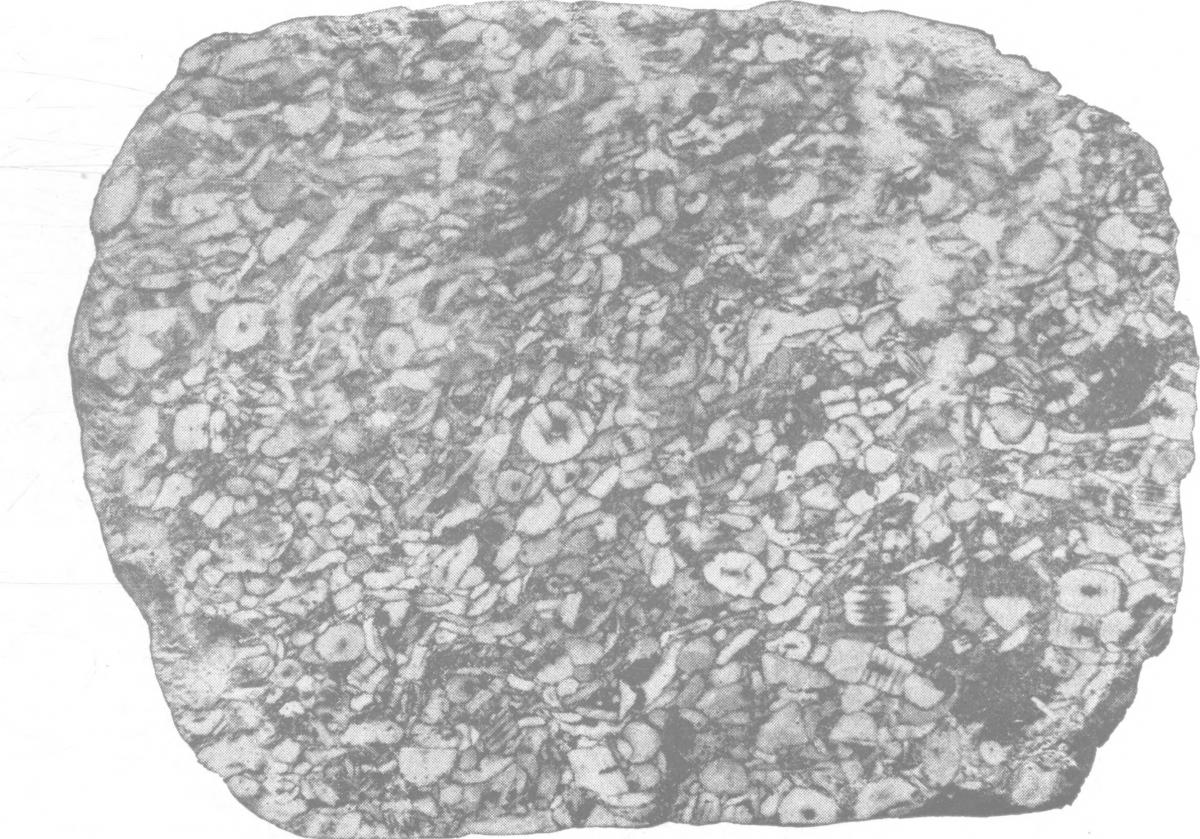
Is it a crinoid with a magnificent name? Yes! Meet Aesiocrinus magnificus from the upper Pennsylvanian (300ish million years ago) in Kansas City, Missouri.
Stalked crinoids like this one are sometimes called “sea lilies” because they look a bit like delicate flowers. The stalk is analogous to a flower’s stem, its “head” (the “aboral cup” in this image) acts as the sepals, and the arms resemble petals. They’re not plants, though, but echinoderms. Stalked varieties lived attached to the ocean bottom, enabling them to use their feathery arms to gather food by filtering seawater. There is a great variety of crinoid arm morphology, suggesting that species co-existed by specializing on particular sizes of plankton. This particular crinoid was small, but some species got enormous, as seen here.

Like other echinoderms, crinoids have calcite plates embedded in their bodies, which, along with their shallow-water habitats, made them champion fossilizers. (As Emily Schoerning noted—not the best championship to win, perhaps, but hey, it’s something.) Fossil evidence suggests that crinoids were absurdly abundant in the Paleozoic, often growing in dense fields. Many thick Paleozoic limestones are made up of almost nothing but crinoid plates. Their record is vast until the end-Permian when they, along with 90+% of all other marine life, were nearly wiped by a mass extinction event.
They are not extinct, however! Stalked crinoids can be found in the deep sea today, and some stalkless varieties (called comatulids, or “feather stars”) live in shallow waters along coral reefs.
Congratulations to...well, nobody entirely. Quite a few of you got to crinoid, but no one got the genus ID. Oh well, better luck next time! And for the record, Steve, of the three choices, I’d have said “mineral,” too, since “contains DNA” does not make something living! It does, however, make the poop organic...so, I get the confusion. Perhaps animal/vegetable/mineral isn’t a great way to start Twenty Questions (:
Are you a teacher and want to tell us about an amazing free resource? Do you have an idea for a Misconception Monday or other type of post? Have a fossil to share? See some good or bad examples of science communication lately? Drop me an email or shoot me a tweet @keeps3.
